咨詢熱線
400-609-6233


| 型號: | SFP-2860 | 流量范圍: | 2.0 - 6.1 m3/hr |
| 過濾通量@25oC: | 40 - 120 I/m2/hr | pH范圍運行: | 2 - 11 |
| 溫度: | 1 - 40oC | 最大進水壓力(@ 20oC): | 6.25 bar |
| 最大運行跨膜壓差: | 2.1 bar | 最大運行空氣沖洗流量: | 12 Nm3/hr |
DUPONT? Ultrafiltration SFP-2860
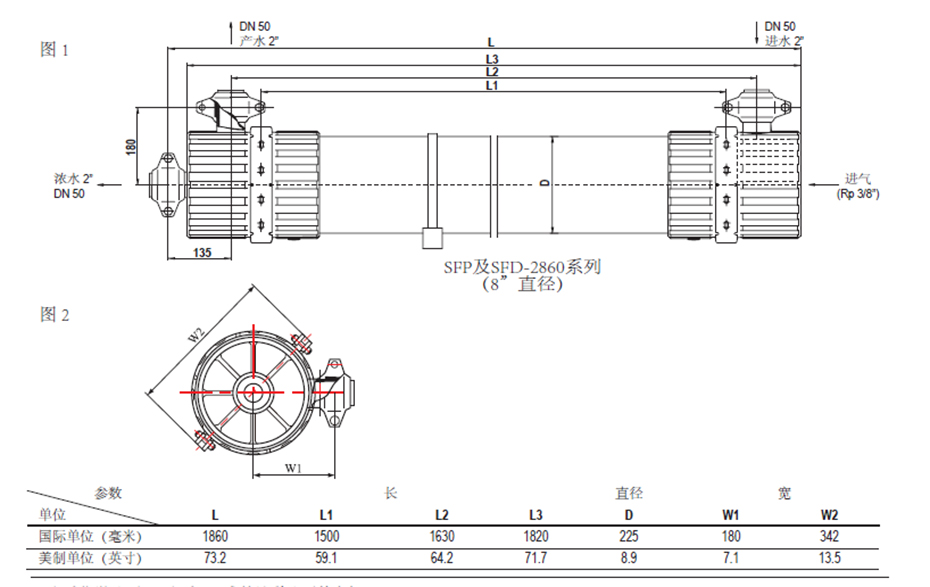
SFP-2860 膜組件適用于能力大于50m3/hr (220 gpm) 的系統。較大直徑的膜組件(8英寸) 具有 Dupont?Ultrafiltration產品中最大的有效膜面積,能實現更經濟的膜系統設計。相比較長的膜 組件,較短的膜組件(60英寸)提供較高的分離效率,能適應更寬廣的進水水質范圍。
應用領域
Dupont? Ultrafiltration 膜組件能廣泛應用于水處理的各種領域,比如地表水、海水、工業廢 水和二級生化出水等等。
注意
使用本產品并不對從水中去除孢囊和病原體提供質保。孢囊和病原體的有效去除取決于整個 系統的設計及系統的運行和維護。
DUPONT? Ultrafiltration SFP-2860特點
? 0.03 μm 的公稱膜孔徑可以去除細菌、病毒、顆粒物質包括膠體,以保護后續工 藝設備如反滲透系統。
? 高強度、耐化學藥品能力強的PVDF聚合中空纖維膜絲確保了膜組件更長的使用 壽命。
? 親水性的PVDF纖維膜絲易于清洗和潤濕的特點使其能長期保持良好性能。
? 外壓式結構能承受更高的進水懸浮物濃度,減少預處理工藝。
? 采用U-PVC材質的膜殼, 可消除對昂貴的壓力容器的需求。
20余年專注膜法水處理,經驗豐富
超過1000個水處理工程建設經驗
為數百家知名企業量身定制水處理環保設備
設計建設、設備集成、托管運營、售后服務一站式解決方案
原裝進口耗材產品,性價比高
優選眾多知名品牌水處理耗材, 質量可靠
上百款水處理耗材產品任您選擇,庫存充足,供貨迅速
資源整合,價格更實惠,可為您 節省15%以上的費用
國際標準,質量認證,品質有保障
嚴格執行 ISO9001國際質量體系認證標準
擁有 70余項水處理核心技術專利及軟件著作權項
擁有機電、環保、市政、運營等多項水處理資質
遍布全國各大區的服務機構,售后有保障
2小時快速響應,24小時內解決水處理系統售后問題
來電即可享受免費技術咨詢、水處理設備設計技術方案
采購水處理耗材,專業技術人員上門安裝, 享1~3年質保